PRODUZIERT

Anwendung
Mittel- und Hochspannungs-Leistungsschalter / Mittel- und Hochspannungs-Trennschaltanlage / Erdungsschaltanlage / SF6-Leistungsschalter / Hochspannungs-Vakuum-Leistungsschalter / GIS-Trennschaltanlage
Merkmale
Großer Stromversorgungsbereich: Das Motordesign ist mit Wechsel- und Gleichstromversorgungssystemen kompatibel und gewährleistet einen normalen Betrieb auch in Umgebungen mit instabilen Stromversorgungsbedingungen.
Schnellbetriebsfunktion: Schnelle Reaktion, um die Anforderungen an schnelles Öffnen und Schließen von Leistungsschaltern und Trennschaltern zu erfüllen und so die Sicherheit und Stabilität des Stromsystems zu gewährleisten.
Design mit geringem Energieverbrauch: Verwenden Sie ein energiesparendes Design, um den Energieverbrauch während des Betriebs zu senken.
Kompakte Struktur: Das kompakte Design erleichtert die Installation in Umgebungen mit beengten Platzverhältnissen wie Umspannwerken oder Verteilungsräumen.
Gute Kompatibilität: Motoren sind in der Regel mit Standardschnittstellen ausgestattet und können mit vielen Arten von Leistungsschaltern und Schaltanlagen verwendet werden.
Einfach zu warten: Die Struktur ist einfach, die Inspektion und der Austausch beschädigter Teile sind einfach, was den Wartungsaufwand und die Wartungskosten reduziert.
Kostenvorteil: Da keine Permanentmagnete verwendet werden, sind die Materialkosten bei diesem Motortyp im Allgemeinen geringer. Bei langfristigem Einsatz vermeiden Motoren ohne Permanentmagnete das Problem der magnetischen Dämpfung und können die Wartungs- und Austauschhäufigkeit reduzieren, was den Benutzern Kosten spart.
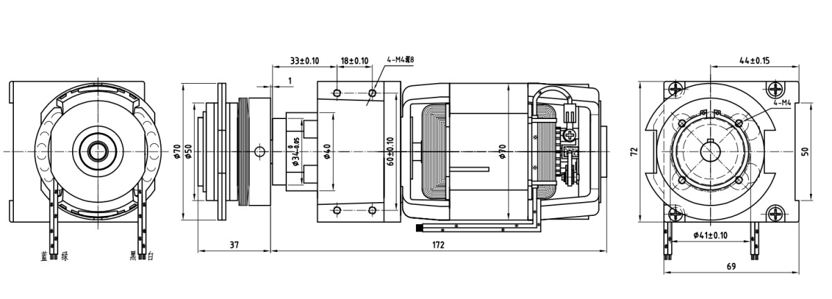
Spezifikationsparameter


*Wir respektieren Ihre Vertraulichkeit und alle Informationen sind geschützt.