Anwendung
Mittel- und Hochspannungsschalter / Mittel- und Hochspannungstrennschalter / Erdungsschalter / SF6-Schalter / Hochspannungs-Vakuumschalter / GIS-Trennschalter
Merkmale
Breites Stromversorgungsspektrum: Der Motor ist für AC- und DC-Stromversorgungssysteme ausgelegt und gewährleistet einen normalen Betrieb selbst bei instabilen Stromversorgungsbedingungen.
Schnellbetriebsfunktion: Schnelle Reaktion zur Erfüllung der schnellen Öffnungs- und Schließanforderungen von Schaltern und Trennschaltern für die Sicherheit und Stabilität des Stromversorgungssystems.
Energieeffizientes Design: Energieeffiziente Konstruktion reduziert den Energieverbrauch während des Betriebs.
Kompakte Bauweise: Das platzsparende Design erleichtert die Installation in beengten Umgebungen wie Umspannwerken oder Schaltanlagen.
Gute Kompatibilität: Motoren sind mit Standardanschlüssen ausgestattet und können mit verschiedenen Schaltern und Schaltanlagen verwendet werden.
Einfache Wartung: Die einfache Bauweise erleichtert Inspektion und Austausch beschädigter Teile, was Wartungsaufwand und -kosten reduziert.
Kostenvorteil: Da keine Permanentmagnete verwendet werden, sind die Materialkosten dieser Motoren generell niedriger. Langfristig vermeiden Motoren ohne Permanentmagnete das Problem der Magnetabschwächung und können Wartungs- und Austauschintervalle verlängern, was Kosteneinsparungen für den Nutzer bedeutet.
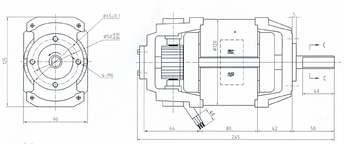
Spezifikationen und Parameter

*Wir respektieren Ihre Vertraulichkeit und alle Informationen sind geschützt.
