PRODUZIERT

Anwendung
Hochspannungs-Trennschaltanlage
Merkmale
Hohes Anlaufdrehmoment: Da der Trennschalter während des Betriebs aufgrund von Umgebungsfaktoren (wie Schmutz, Eis und Schnee) einer erhöhten Reibung ausgesetzt sein kann, muss der Motor über ein ausreichendes Anlaufdrehmoment verfügen, um diese statischen Reibungskräfte zu überwinden.
Zuverlässigkeit: Bei Hochspannungsgeräten kann jeder Ausfall schwerwiegende Folgen haben. Daher sind diese Motoren in der Regel auf hohe Zuverlässigkeit und die Fähigkeit ausgelegt, in rauen Umgebungen wie extremen Temperaturen, Feuchtigkeit, Staub und korrosiven Umgebungen zu funktionieren.
Hohes Isolationsniveau: Der Hochspannungstrennschalter arbeitet in einer Hochspannungsumgebung, daher muss das Isolationsniveau des Motors hoch genug sein, um Spannungsüberschläge und -ausfälle zu vermeiden.
Langlebiges Design: Diese Motoren sollten so konstruiert sein, dass sie Tausenden von Betriebszyklen standhalten, um einen stabilen Betrieb des Trennschalters über lange Zeit sicherzustellen.
Kompakte Bauweise: Aufgrund der Platzbeschränkungen des Trennschalters wird der Motor normalerweise kompakt konstruiert, um die Installation und Wartung zu erleichtern.
Thermoschutz: Eingebaute Überhitzungsschutzfunktion kann Schäden am Motor bei Überlastung verhindern.
Einfache Verkabelung: Bequeme Verkabelung sowie schnelle Wartung und Austausch tragen zur Verkürzung von Stromausfallzeiten bei.
Doppelkondensatordesign: Einphasige Kondensatormotoren können Anlaufkondensatoren und Betriebskondensatoren verwenden, wobei der Anlaufkondensator zur Erhöhung des Anlaufdrehmoments dient, während der Betriebskondensator zur Verbesserung der Betriebseffizienz und gleichmäßigen Leistungsabgabe verwendet wird.
Hohe Effizienz: Kondensatormotoren sind so konzipiert, dass sie unter gleichen Leistungsbedingungen einen höheren Wirkungsgrad erzielen.
Stabiler Betrieb: Aufgrund der Phasenkorrekturwirkung des Kondensators kann der Motor während des Betriebs eine relativ stabile Geschwindigkeit beibehalten.
Einfach zu steuern: Der Arbeitszustand des Motors kann durch Ändern der Kapazität angepasst werden, um unterschiedliche Drehzahlen oder Drehmomente zu erzielen.
Einfache Wartung: Im Vergleich zu Drehstrommotoren haben Einphasen-Kondensatormotoren einen einfachen Aufbau und sind leichter zu warten.
Relativ günstiger Preis: Im Vergleich zu komplexen Dreiphasenmotorsystemen sind Einphasen-Kondensatormotoren aufgrund ihrer einfachen Steuerung und hohen Beliebtheit relativ günstig im Preis.
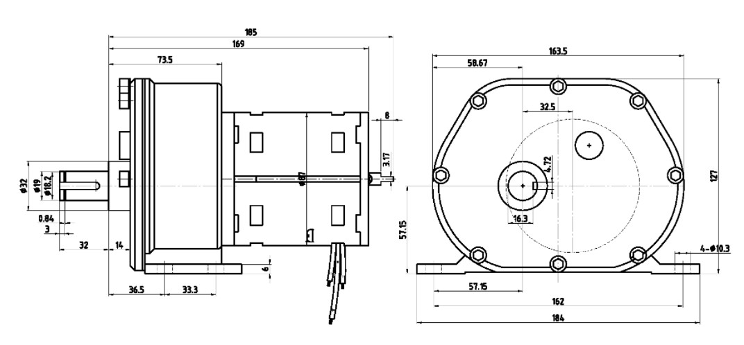
Spezifikationsparameter


*Wir respektieren Ihre Vertraulichkeit und alle Informationen sind geschützt.