PRODUZIERT

Anwendung
Freizeitfahrzeug / Wohnmobil / Camper / Wohnwagen / Wohnwagenanhänger / Campervan / Sattelkupplung / Pop-up-Camper / Umbau-Van / Mobilheim
Merkmale
Hochleistungsfähige Permanentmagnetmaterialien: Der Einsatz leistungsstarker Permanentmagnetmaterialien (wie etwa Neodym-Eisen-Bor) kann ein stabiles Magnetfeld erzeugen und die Motoreffizienz verbessern.
Kompakte Größe: Der Platz im Wohnmobil ist begrenzt, daher muss das Motordesign kompakt und einfach zu installieren und zu warten sein.
Hohes Drehmoment: Bietet ein höheres Anlauf- und Betriebsdrehmoment bei niedrigeren Geschwindigkeiten, um sicherzustellen, dass der Mechanismus zuverlässig ausfahren und einfahren kann.
Gute Geschwindigkeitsregulierungsleistung: Normalerweise ist eine gute Geschwindigkeitsregulierungsleistung erforderlich, damit der Benutzer die Geschwindigkeit des Spreizmechanismus und des Wagenhebers steuern kann.
Korrosionsbeständig und wasserdicht: Da Wohnmobile in den unterschiedlichsten Umgebungen eingesetzt werden können, werden Motoren häufig korrosionsbeständig und wasserdicht konstruiert, um unterschiedlichen Klimabedingungen gerecht zu werden.
Geräuscharmes Design: Beim Reisen ist eine ruhige Umgebung besonders wichtig. Der Motor ist auf geräuscharmen Betrieb ausgelegt, um den Komfort der Insassen nicht zu beeinträchtigen.
Überlastschutz: Eingebauter Überlastschutz verhindert Schäden am Motor durch zu hohe Belastung.
Einfach zu integrierende Steuerung: Der Motor kann in das Steuerungssystem des Wohnmobils integriert und über eine Fernbedienung oder ein Smart-Gerät gesteuert werden.
Energiesparend und effizient: Das Design erfüllt zwar den Strombedarf, ist jedoch darauf optimiert, den Energieverbrauch zu senken und die Gesamteffizienz zu verbessern.
Lange Lebensdauer: Für einen langen Betrieb und häufige Betriebsbedingungen konzipiert, wodurch der Wartungsbedarf und die Austauschhäufigkeit reduziert werden.
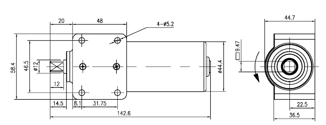
Spezifikationsparameter


*Wir respektieren Ihre Vertraulichkeit und alle Informationen sind geschützt.