PRODUZIERT

Anwendung
Hochspannungs-Trennschalter
Merkmale
Hohes Anlaufdrehmoment:Da der Trennschalter die Öffnungs- und Schließoperation in kurzer Zeit abschließen muss, ist der Motor in der Regel mit einem hohen Anlaufdrehmoment ausgelegt, um einen zuverlässigen und schnellen Betrieb zu gewährleisten.
Kurzzeitbetrieb: Diese Art von Motor muss in der Regel nicht kontinuierlich laufen. Er arbeitet normalerweise nur kurz und der Arbeitszyklus ist sehr kurz. Daher sollte sein Design die Anforderungen des intermittierenden Betriebs berücksichtigen.
Höhere Schutzart: Da der Motor möglicherweise im Freien oder in rauen Umgebungen arbeitet, weist er in der Regel eine höhere Schutzart auf, wie z.B. IP55, IP65 usw., um das Eindringen von Staub und Feuchtigkeit zu verhindern.
Umweltbeständigkeit: Er kann sich an verschiedene Klimabedingungen anpassen, wie z.B. hohe Temperaturen, niedrige Temperaturen, Feuchtigkeit und Trockenheit, und ist in der Lage, den Einfluss von Wind, Regen, Schnee, Frost und anderen natürlichen Umgebungen im Außenbereich zu widerstehen.
Hohe Isolationsklasse:Um sich an Hochspannungsumgebungen anzupassen, weist diese Art von Motor in der Regel eine höhere Isolationsklasse auf, wie z.B. Klasse F, Klasse H usw., um einen langfristig sicheren und stabilen Betrieb zu gewährleisten.
Zuverlässigkeit:Da er den sicheren und stabilen Betrieb des Stromversorgungssystems betrifft, muss die Zuverlässigkeit des Motors sehr hoch sein, um Stromausfälle aufgrund von Fehlern zu vermeiden.
Einfache Steuerung und Schnittstelle: Das Motorsteuerungssystem ist in der Regel sehr einfach gestaltet, leicht in die vor Ort vorhandenen Steuerungssysteme (z.B. SCADA) zu integrieren und verfügt über standardisierte Schnittstellen, um die spätere Wartung und den Austausch zu erleichtern.
Schnelle Reaktion: Der Hochspannungs-Trennschalter erfordert, dass der Motor schnell auf das Steuersignal reagiert, um den Stromkreis schnell zu trennen oder zu verbinden.
Überlastschutz:Um eine mechanische Überlastung aufgrund von festgeklemmten Trennschaltern oder anderen Gründen zu verhindern, verfügen Motoren in der Regel über eine Überlastschutzfunktion.
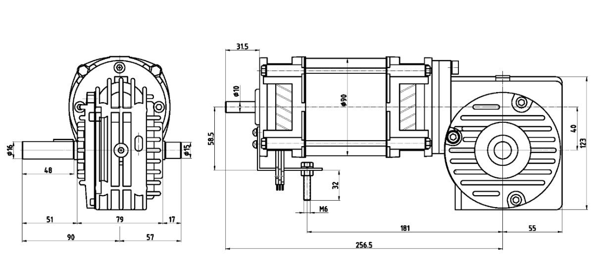
Spezifikationsparameter


*Wir respektieren Ihre Vertraulichkeit und alle Informationen sind geschützt.