PRODUZIERT

Anwendung
Torschranke / Schranke / Armschranke / Pollerschranke
Merkmale
Hohe Effizienz: Bürstenlose Motoren haben aufgrund ihrer elektronischen Kommutierungsmethode eine höhere Betriebseffizienz als Bürstenmotoren.
Lange Lebensdauer: Bürstenlose Motoren haben normalerweise eine längere Lebensdauer, da es bei ihnen keine Probleme mit dem Bürsten- und Kommutatorverschleiß gibt.
Geringer Wartungsaufwand : Bei bürstenlosen Motoren ist kein regelmäßiger Austausch der Kohlebürsten erforderlich, wodurch Wartungsaufwand und Ausfallzeiten reduziert werden.
Hochleistungssteuerung: Bürstenlose Motoren werden häufig mit elektronischen Steuerungen verwendet, um Geschwindigkeit, Position, Beschleunigung usw. präzise zu steuern.
Geringe Geräuschentwicklung und Vibration: Bürstenlose Motoren verfügen über eine sanfte elektronische Kommutierung und es treten keine physischen Bürsten in Kontakt, daher sind sie im Allgemeinen leiser und vibrieren weniger.
Programmierbar: Zusammen mit dem fortschrittlichen Steuerungssystem können die Parameter des bürstenlosen Untersetzungsmotors wie Geschwindigkeit, Drehmoment, Beschleunigung usw. per Software angepasst und optimiert werden.
Kompakte Größe und Gewicht: Bürstenlose Getriebemotoren sind konstruktionsbedingt im Allgemeinen kleiner und leichter als Bürstenmotoren gleicher Leistung.
Großer Temperaturbetriebsbereich: Sie ermöglichen einen stabilen Betrieb über einen großen Umgebungstemperaturbereich und sind für den Außeneinsatz geeignet.
Starkes Anlaufdrehmoment und gute Drehzahlstabilität: Bietet ein höheres Anlaufdrehmoment und sorgt auch bei niedrigen Drehzahlen für Drehzahlstabilität.
Energieeinsparung: Aufgrund ihres hohen Wirkungsgrades sparen bürstenlose Getriebemotoren im Betrieb Energie.
Schnelle Reaktion: Die elektronische Steuerung kann die Anforderung eines bürstenlosen Motors erfüllen, schnell auf Anweisungen zu reagieren.
Selbstschutzfunktionen: Viele bürstenlose Motoren verfügen über Überlast-, Überhitzungs- und andere Schutzfunktionen, um Motorschäden zu verhindern.
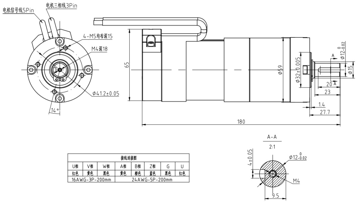
Spezifikationsparameter


*Wir respektieren Ihre Vertraulichkeit und alle Informationen sind geschützt.